공개도면 1번

「 타이머설정 」 (초)

차단기

On/Off
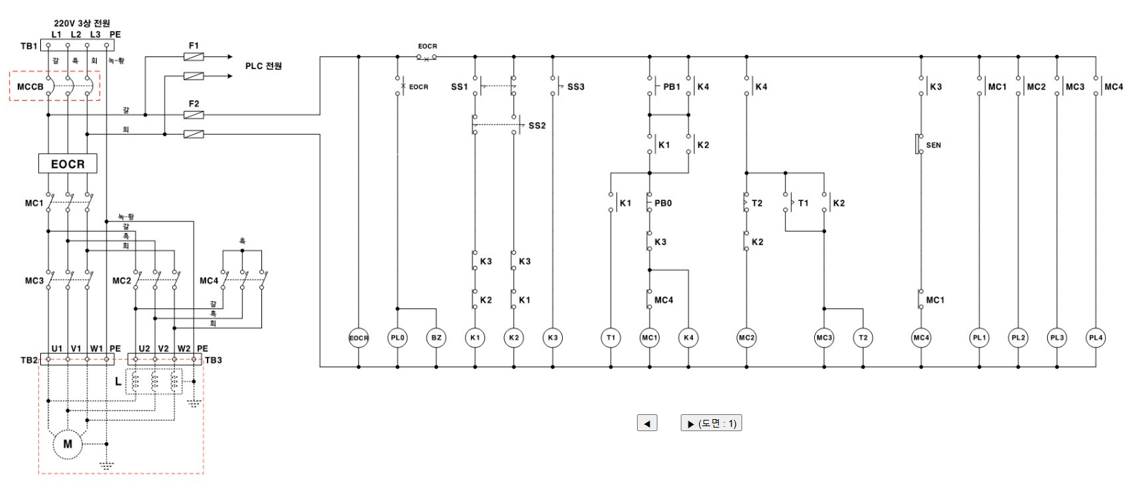
가) 전원 공급 후 동작 조건 : EOCR ON, SEN OFF, SS1~SS3 OFF
나) 리액터(저전압) 기동 운전 동작 사항
	(1) 리액터(저전압) 기동 운전 모드(SS1)를 선택한다
		(SS1 ON, SS2 OFF, SS3 OFF -> K1 ON)
	(2) PB1을 누르면, 전동기는 리액터에 의해 저전압으로 기동된다
		(PB1 ON -> MC1 ON, MC2 ON, K4 ON, T1 ON, PL1 ON, PL2 ON)
	(3) T1의 설정시간 t1초 후, 전동기는 전전압으로 기동이 완료된다
		(T1의 t1초 후 -> MC3 ON, T2 ON, PL3 ON)
	(4) T2의 설정시간 t2초 후, 리액터의 회로가 분리된다
		(T2의 t2초 후 -> MC2 OFF, PL2 OFF)
다) 전전압 기동 운전 동작 사항
	(1) 전전압 기동 운전 모드(SS2)를 선택한다
		(SS1 OFF, SS2 ON, SS3 OFF -> K2 ON)
	(2) PB1을 누르면 전동기는 전전압으로 기동된다
		(PB1 ON -> MC1 ON, MC3 ON, K4 ON, T2 ON, PL1 ON, PL3 ON)
라) 정지, 감속 운전 모드(SS3), EOCR 동작 사항
	(1) 기동이 완료되어 전동기가 운전하는 중 PB0을 누르면, 전동기는 정지한다
		(PB0 ON -> MC1 OFF, MC3 OFF, PL1 OFF, PL3 OFF)
	(2) 기동이 완료되어 전동기가 운전하는 중, 감속 운전 모드(SS3)를 선택하면, 전동기는 감속 운전된다
		(SS3 ON -> K3 ON, MC1 OFF, MC3 OFF, PL1 OFF, PL3 OFF, MC4 ON, PL4 ON)
	(3) 전동기가 감속 운전하는 중, 리액터의 과열이 감지(SEN ON)되면, 감속 운전이 일시 정지되고,
	    리액터의 과열 감지가 해제(SEN OFF)되면, 전동기는 다시 감속 운전된다
		(SEN ON -> MC4 OFF, PL4 OFF)
		(SEN OFF -> MC4 ON, PL4 ON)
	(4) 전동기 동작 중 과부하로 EOCR이 동작되면, 모든 동작이 정지된다
		(EOCR TRIP -> ALL(MC1~MC4, K1~K4, T1, T2, PL1~PL4) OFF, BZ ON, PL0 ON)
	(5) EOCR을 RESET하면 전동기 제어회로는 다시 운전 가능 상태로 된다
		(EOCR RESET -> BZ OFF, PL0 OFF)
		
공개도면
시스템 상태 : 초기 상태